Il mondo dei veicoli elettrici per bambini, in particolare i modelli prodotti da Peg Perego come la storica Magica e l'iconica Gaucho, rappresenta per molte famiglie un ponte tra il gioco e l'apprendimento pratico. Tuttavia, con il passare degli anni, questi giocattoli iconici possono necessitare di interventi di restauro e manutenzione, soprattutto per quanto riguarda il loro impianto elettrico. Spesso, gli appassionati si trovano ad affrontare sfide significative, aggravate dalla difficoltà di reperire schemi elettrici originali o da modifiche improprie apportate in precedenza. "Purtroppo chi l'aveva in precedenza ha pasticciato con l'impianto elettrico, e ora mi trovo nei guai per farla funzionare," è una problematica comune, come nel caso di una vecchia automobilina elettrica Magica della Peg Perego, per la precisione il secondo modello di colore rosso, destinata al restauro per una nipotina. Questa guida si propone di esplorare in dettaglio le complessità degli impianti elettrici di questi veicoli, offrendo un percorso chiaro per la diagnosi, la riparazione e la comprensione dei loro meccanismi, partendo dalle specifiche peculiarità dei modelli Magica e Gaucho e fornendo una panoramica estesa sulle configurazioni elettriche e sui processi di ripristino. La ricerca di uno schema elettrico specifico può rivelarsi infruttuosa, come testimoniato dalla difficoltà nel trovarlo "da nessuna parte, Per Perego compreso," rendendo essenziale una comprensione approfondita dei principi fondamentali che governano questi sistemi. L'obiettivo è supportare sia chi è alle prime armi, affermando "Non sono molto pratico di impianti elettrici, spero di riuscire a fornirle tutte le informazioni utili a farle capire di che modello stiamo parlando," sia l'utente più esperto, nella riconfigurazione e nel ripristino di questi gioielli ludici.
Comprendere i Veicoli Elettrici Peg Perego: Modelli Magica e Gaucho
I veicoli elettrici per bambini Peg Perego, in particolare i modelli Magica e Gaucho, si distinguono per la loro robustezza e per un'ingegneria che, sebbene orientata al gioco, riflette principi elettrici e meccanici di base. Questi modelli, pur presentando differenze estetiche e funzionali, condividono spesso architetture elettriche simili, semplificando la diagnosi e il restauro. Una caratteristica importante da considerare è che "se non erro la magica dovrebbe montare solo una batteria da 12v e avere in comune l'impianto con la jeep gaucho senza centralina." Questa assenza di una "centralina" complessa significa che l'impianto si basa su collegamenti diretti tra interruttori, pedali, motori e batterie, rendendolo più accessibile per le riparazioni fai-da-te, ma anche più suscettibile a guasti da cortocircuito o collegamenti errati.
La semplicità intrinseca di questi design non deve essere sottovalutata. Essa permette di affrontare i problemi con un approccio sistematico, anche in assenza di uno schema specifico. La struttura è spesso modulare, con componenti facilmente identificabili come motori, interruttori a pedale, leve del cambio e il vano batteria. La conoscenza del funzionamento di ogni singolo componente è fondamentale per ricostruire l'intero circuito. Ad esempio, il sistema di propulsione si basa su motori a corrente continua (DC) alimentati da batterie ricaricabili. La gestione della velocità e della direzione avviene tramite un insieme di interruttori meccanici. La durabilità di questi veicoli è leggendaria, motivo per cui molti esemplari degli anni '90 o anche precedenti sono ancora oggetto di restauro.
È importante sottolineare che la sicurezza è sempre stata una priorità per il produttore. I veicoli sono "TÜV e dall' I.I.S.G." testati, garantendo il rispetto di standard elevati. Queste certificazioni attestano che il prodotto è stato sottoposto a rigidi controlli di qualità e sicurezza, dalla resistenza dei materiali alla funzionalità degli impianti elettrici. Questa attenzione alla sicurezza si riflette anche in alcune soluzioni di protezione implementate nell'impianto, come i fusibili o i protettori termici, che intervengono in caso di sovraccarico o cortocircuito per prevenire danni maggiori. Comprendere queste basi è il primo passo per affrontare qualsiasi intervento sull'impianto elettrico, assicurando che il veicolo, una volta restaurato, sia non solo funzionante ma anche sicuro per i bambini.

La Base dell'Impianto Elettrico: Batterie e Alimentazione
Il cuore pulsante di ogni veicolo elettrico Peg Perego è il suo sistema di alimentazione, costituito dalle batterie. La corretta configurazione e manutenzione delle batterie sono cruciali per il funzionamento ottimale del veicolo. I modelli Magica e Gaucho hanno avuto diverse configurazioni nel corso del tempo. Un'osservazione comune è che "in origine aveva due batterie da 6 volt in parallelo." Questa configurazione, con due batterie da 6V collegate in parallelo, forniva una tensione complessiva di 6 volt ma con una capacità di corrente (Ampere-ora, Ah) maggiore, ideale per un'autonomia più lunga a velocità ridotte.
Tuttavia, con l'evoluzione e le esigenze di maggiori prestazioni, si è passati a sistemi a 12 volt. "Ora naturalmente essendo limpianto a 12 volt, vorrei montare una sola batteria da 12 vokt," è un desiderio comune tra chi effettua il restauro. La transizione da un sistema a 6V a uno a 12V può comportare modifiche all'impianto, ma spesso i veicoli Peg Perego a due marce sono progettati per gestire entrambe le configurazioni, con le due batterie da 6V che possono essere collegate in parallelo per la prima velocità (6V) o in serie per la seconda velocità (12V). Infatti, "Le macchinine a due marce usano 2 batterie da 6V. La maniglia per il cambio di velocita' realizza un collegamento delle batteria in parallelo (6V) o in serie (12V)." Questa flessibilità nel collegamento delle batterie è un aspetto ingegnoso del design Peg Perego, consentendo di ottenere due livelli di potenza e velocità con lo stesso set di batterie.
Per chi si trova a gestire un impianto che ha subito modifiche, è essenziale verificare la configurazione attuale. Il vano batterie in un Gaucho degli anni '90, ad esempio, potrebbe presentare "4 fili. Giallo/rosso/nero/azzurro….essendo che le batterie da 6v l'una vanno in serie e quindi collegate tra loro, mi resterebbero da collegare un cavo al positivo di una e l'altro al negativo….." Questa indicazione suggerisce un sistema progettato per gestire una combinazione di collegamenti per ottenere sia i 6V che i 12V, e la corretta identificazione di questi fili è vitale.
Il processo di ricarica è un altro elemento fondamentale: è necessario "caricare le batterie per 18 ore." Questo periodo di carica prolungato è tipico per le batterie al piombo-acido, che erano comunemente utilizzate in questi veicoli. È altresì fondamentale "Non dimenticare le batterie in carica!" poiché una carica eccessiva può danneggiare le batterie. Un aspetto spesso trascurato ma importante per la sicurezza è che "Durante la carica la batteria produce gas." Questi gas sono idrogeno e ossigeno, altamente infiammabili, quindi la ricarica dovrebbe sempre avvenire in un'area ben ventilata e lontana da fiamme libere o scintille per evitare qualsiasi rischio. La sostituzione della batteria è un'operazione relativamente semplice: si deve "Sostituire la batteria" individuando la "spina A. situate sotto il finto motore" e scollegando i fili dalla pila, rispettando sempre la giusta polarità. L'utilizzo di batterie adeguate, come quelle "2 x 6V 12 AH come da impianto originale," è fondamentale per garantire le prestazioni e la longevità del veicolo.

Componenti Chiave dell'Impianto Elettrico
Un impianto elettrico, anche quello di un giocattolo complesso come una Peg Perego Magica o Gaucho, è un insieme interconnesso di componenti, ciascuno con una funzione specifica. Comprendere il ruolo di ogni parte è essenziale per la diagnosi e il ripristino.
Motori
I motori sono i propulsori del veicolo. In questi modelli, si tratta tipicamente di motori a corrente continua (DC) a spazzole. Un buon segno durante il restauro è quando si constata che "I motori collegati direttamente ho constatato che funzionano." Questo indica che il problema non risiede nei motori stessi, ma piuttosto nel circuito di controllo o nell'alimentazione. Se i motori non funzionano quando collegati direttamente alla batteria, allora la diagnosi si sposta verso i motori stessi, che potrebbero necessitare di manutenzione, come la pulizia delle spazzole o la verifica degli avvolgimenti.
Pedali (Freno e Gas)
I pedali sono gli interruttori principali che controllano il flusso di corrente verso i motori. Il funzionamento è sequenziale: "1) parti dalla batteria col diciamo il polo + e passi per il pedale del freno. 2) dal pedale del freno passi per il pedale del gas…" Questo significa che il pedale del freno funge spesso da interruttore di sicurezza, interrompendo il circuito quando premuto e consentendo al veicolo di fermarsi. Il pedale del gas, invece, completa il circuito verso il sistema di propulsione quando viene premuto, permettendo al veicolo di avanzare o indietreggiare a seconda della posizione della leva del cambio. La loro interconnessione è fondamentale per la sicurezza e la funzionalità del veicolo.
Leva Cambio e Invertitore (F-R)
La leva del cambio è il cuore del sistema di selezione della velocità e della direzione. Per la Magica e la Gaucho, la leva cambio consente di scegliere tra diverse modalità di marcia: "37 • LEVA CAMBIO: 1: prima velocità di marcia. seconda velocità di marcia. solo in prima e in retro." La presenza della retromarcia "solo in prima e in retro" (ovvero, la retromarcia è disponibile solo quando la leva non è in seconda velocità) è una caratteristica di sicurezza e un design comune. "3) dal pedale del gas arrivi all'invertitore che fa avanti o retromarcia… in teoria questo sullo schema è quello con F-R (front - rear)." Questo "invertitore" è un interruttore che cambia la polarità dell'alimentazione ai motori, facendoli girare in senso orario o antiorario. "In pratica dovresti entrare nel polo centrale ed uscire da uno dei due poli laterali per fare marcia avanti e dall'altro polo laterale per fare marcia indietro." Questo è il tipico funzionamento di un interruttore a levetta o a bilanciere a tre posizioni (avanti, neutro, indietro) o a due posizioni con una molla di ritorno al centro.
Interruttore Velocità
Oltre alla direzione, il veicolo ha anche un sistema per selezionare la velocità. "4) il secondo interruttore dell'invertitore dovrebbe essere quello che ti fa marcia veloce e marcia lenta…" Questo interruttore gestisce la configurazione delle batterie, come menzionato in precedenza. "Questo in teoria lo dovresti collegare con una batteria che arriva ad uno dei due poli laterali e con tutte e due le battrie che arrivano all'altro polo laterale… poi dal polo centrale vai all'invertitore di prima…" Questo meccanismo permette di collegare le due batterie da 6V in parallelo per una velocità inferiore (6V totali) o in serie per una velocità superiore (12V totali). La leva cambio stessa è l'interfaccia per questa selezione: "57 • LEVA CAMBIO. seconda velocità." che si ottiene spostando la leva nel "secondo foro come mostrato in figura."
Fusibile e Protezione da Sovraccarico
Il fusibile è un dispositivo di sicurezza cruciale, progettato per proteggere l'impianto elettrico da sovracorrenti e cortocircuiti. "Nello schema infatti dal fusibile parte un unico filo che va al centro mentre nel mio impianto parte un filo che si sdoppia in due fili con due faston separati…uno lo collego al centro e l'altro rimane così." Le anomalie nel cablaggio del fusibile sono comuni in impianti manomessi e possono causare problemi di funzionamento, come la mancanza della retromarcia. La presenza di un protettore termico è un'altra caratteristica di sicurezza: in caso di "Kg. eccessivo o lavoro continuo," il circuito viene interrotto e "tornerà nel giro di alcuni secondi" una volta che il componente si è raffreddato. Questo è un meccanismo di auto-ripristino che protegge i "meccanismi interni" da danni irreversibili.
Resistenza per la Prima Marcia
Alcuni modelli potrebbero includere una "resistenza per la prima marcia." Questa resistenza viene inserita nel circuito in serie con i motori per limitare la corrente e, di conseguenza, la velocità in prima marcia, rendendo il veicolo più facile da controllare per i bambini più piccoli o per preservare i motori da sollecitazioni eccessive. Se presente, la sua corretta connessione è vitale per la distinzione tra la prima e la seconda velocità.
Accessori e Funzionalità Aggiuntive
Molti modelli Peg Perego sono dotati di accessori che, sebbene non essenziali per la propulsione, aggiungono valore all'esperienza di gioco. Tra questi figurano il "CLACSON," la "RADIO" (con "funzionamento indipendente" e "frequenza FM," controllata da "manopola 1" e "manopola 2"), e una "FINTA CHIAVE-AVVIAMENTO." Questi accessori hanno circuiti separati o derivazioni dall'impianto principale, ma il loro corretto collegamento (ad esempio, rispettando la "giusta polarità" per la radio nello "sportello del vano pile") è importante per la funzionalità completa del veicolo.

Il Processo di Restauro e Risoluzione dei Problemi Comuni
Il restauro di un veicolo elettrico Peg Perego, specialmente quando si parte da un impianto "pasticciato" e con "Parecchi fili erano bruciati, sicuramente a seguito di qualche cortocircuito," richiede un approccio metodico e paziente.
Valutazione Iniziale e Documentazione Fotografica
Il primo passo è una valutazione approfondita del danno. È fondamentale identificare "le modifiche sostanziali sul mezzo" e "cosa è stato fatto all'impianto originale." Prima di smontare o scollegare qualsiasi cosa, è cruciale "fare delle foto o butta giu uno schema di quello che hai." Questo consiglio, spesso reiterato, è prezioso, specialmente per chi non è "molto pratico di impianti elettrici." Le immagini possono aiutare a risalire ai collegamenti originali o a capire le modifiche apportate, e possono essere condivise in forum o con esperti per ottenere aiuto, nonostante le difficoltà di caricamento ("Scusate come si fa a inserire foto in questa sezione"). Un utente ha addirittura affermato "io ho ridisegnato lo schemza elettrico a modo mio .Se può interessare posso inviare 2 foto dello schema ma essendo nuovo del forum non so come fare!!!" a dimostrazione dell'importanza di queste rappresentazioni visive.
Identificazione dei Componenti Danneggiati e Test di Continuità
Una volta documentato lo stato attuale, si procede con l'identificazione dei componenti danneggiati. I fili bruciati sono un segno evidente. Successivamente, è necessario verificare il funzionamento di ogni componente. "I motori collegati direttamente ho constatato che funzionano" è una diagnosi utile che esclude i motori come fonte del problema principale. Per gli interruttori e i pulsanti, è indispensabile "capire bene quali sono interruttori e quali pulsanti provando la continuità con il tester (ovviamente con l'interruttore / pulsante / invertitore scollegati dal circuito)…" Un tester (multimetro) è uno strumento indispensabile per verificare la continuità (se un circuito è chiuso), la resistenza e la tensione. Questo permette di distinguere un interruttore funzionante da uno guasto o da un falso contatto. Se un componente è "rotto, prova ad aggiustarlo…" ma spesso la sostituzione con un ricambio originale o equivalente è la soluzione migliore, considerando che "sostituzioni e vendita di ricambi originali" sono disponibili.
Risoluzione di Problemi Specifici di Cablaggio
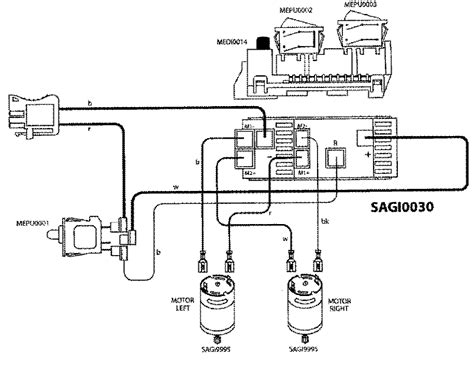
Uno dei problemi più complessi e frequentemente riscontrati è legato al cablaggio intricato dei pedali, del fusibile e della retromarcia. Un utente ha descritto una situazione specifica: "l'unico collegamento che non mi funziona come dovrebbe è gas-fusibile-retro." Ha notato che "dal gas parte un collegamento che va prima in basso a destra sul pulsante della retro e poi in alto a sinistra…ora è proprio così che tutto funziona infatti prendendo un filo volante e giuntandolo li funziona." Questo suggerisce un ponte mancante o un collegamento interrotto. La confusione aumenta perché "l'impianto originale non era pensato così poiché dal gas parte un solo filo e basta. C'è in realtà quel famoso spinotto faston che permette di sdoppiarsi però non c'è un filo di serie che parte da li per fare questo ponte…e facendo così mi rimane scollegato un filo che parte dal fusibile." In un impianto manomesso, i collegamenti non standard possono creare una rete complessa di dipendenze inattese. "Nello schema infatti dal fusibile parte un unico filo che va al centro mentre nel mio impianto parte un filo che si sdoppia in due fili con due faston separati…uno lo collego al centro e l'altro rimane così." La chiave per risolvere questi enigmi sta nel seguire il flusso della corrente e capire la logica di ogni interruttore. "Quando ho preso la macchina per la prima volta questi due fili dal fusibile andavano uno in basso a destra (dove ci dovrebbe essere il gas e l'altro in alto a sinistra sempre dove ci dovrebbe essere il gas con quel famoso collegamento ponte che vi dicevo…quindi la chiave è li ma non sono riuscito a capirla…" Queste descrizioni dettagliate, sebbene complesse, sono fondamentali per la ricostruzione. La strategia "ho provato a fare la cosa piu logica… Visto che nel fusibile originariamente avevo trovato lo spinotto che si sdoppiava ho pensato di far arrivare li il gas e collegarci quei due fili gialli che poi si sdoppiano pensando cosi di portare il gas nei due punti dell'interruttore ma funziona sempre solo la prima e la seconda marcia, la retro no. Come è possibile?" evidenzia la difficoltà di dedurre il circuito corretto quando il cablaggio è stato alterato. La soluzione spesso richiede di ricreare mentalmente o fisicamente lo schema originale.
Problemi di Velocità e Batterie
Un altro problema comune è la velocità insufficiente: "la macchina funziona ma onestamente è piuttosto lenta in prima marcia, velocità accettabile invece in seconda." Questo può indicare diversi problemi:
- Batterie: "Potrebbe essere un problema di batterie? Le ho comprate e sono quelle in foto (2 x 6V 12 AH come da impianto originale)." Batterie nuove ma di scarsa qualità o non completamente cariche, o anche con una capacità (Ah) inferiore all'originale, possono causare prestazioni ridotte. Le batterie al piombo-acido, anche nuove, necessitano di cicli di carica/scarica per raggiungere la piena capacità.
- Collegamenti errati: "Alternativamente, visto che i motori comunque girano e quindi non credo siano loro il problema, può essere che le abbia collegate in modo errato e non arriva la corrente come dovrebbe?" Questo è un punto cruciale. Se le due batterie da 6V sono destinate a essere in serie per la seconda marcia (12V) ma sono collegate in parallelo per entrambe le marce, la macchina funzionerà solo a 6V, risultando molto lenta. Un collegamento con resistenza parzialmente bruciata o con alta resistenza può anche limitare la corrente. La "maniglia per il cambio di velocita'" che "realizza un collegamento delle batteria in parallelo (6V) o in serie (12V)" è il punto chiave da ispezionare. Assicurarsi che i fili al vano batterie, ad esempio i "4 fili. Giallo/rosso/nero/azzurro" del Gaucho, siano collegati correttamente. In caso di dubbi, è sempre consigliabile ricontrollare la polarità e la continuità con un tester.
Guida GATOR: Risoluzione dei problemi del tuo Peg Perego John Deere Gator
Guida Dettagliata al Cablaggio dell'Impianto Standard
Ricostruire l'impianto elettrico di un veicolo Peg Perego, specialmente senza uno schema originale, richiede una comprensione chiara del percorso che la corrente segue, dal suo punto di origine (la batteria) fino ai motori e agli accessori. Ogni componente deve essere considerato parte di un circuito logico.
Cablaggio del Fusibile
Il fusibile è il primo componente sulla linea positiva della batteria. Il suo ruolo è proteggere l'intero circuito. In molti impianti Peg Perego, "dal fusibile parte un unico filo che va al centro," il quale poi si dirama per alimentare i vari sottocircuiti. Se in un impianto modificato "parte un filo che si sdoppia in due fili con due faston separati…uno lo collego al centro e l'altro rimane così," è probabile che questo sdoppiamento sia stato creato per collegare due punti diversi che l'originale gestiva diversamente, o che sia un tentativo di aggirare un problema. La posizione del fusibile è strategica; è sempre il primo punto di protezione e il punto di accesso principale all'alimentazione.
Cablaggio Pedali
Il circuito dei pedali segue una logica sequenziale per la sicurezza e il controllo. Come già accennato, si parte "dalla batteria col diciamo il polo + e passi per il pedale del freno." Questo pedale funge da interruttore di sicurezza normalmente chiuso (o normalmente aperto, a seconda della logica, ma solitamente interviene per interrompere il circuito alla pressione), che deve essere superato prima che la corrente possa raggiungere il pedale del gas. "dal pedale del freno passi per il pedale del gas…" Il pedale del gas è un interruttore normalmente aperto che chiude il circuito quando premuto, fornendo corrente all'invertitore di marcia e poi ai motori. È cruciale che questi due pedali siano in serie per garantire la funzionalità di sicurezza.
Cablaggio Leva Cambio/Invertitore
L'invertitore di marcia (spesso indicato come F-R per Forward-Reverse) è il componente chiave per controllare la direzione e talvolta la velocità. "dal pedale del gas arrivi all'invertitore che fa avanti o retromarcia… in teoria questo sullo schema è quello con F-R (front - rear)." Questo interruttore è un selettore a più posizioni: una per la marcia avanti, una per la marcia indietro e spesso una posizione neutra. La sua funzione è invertire la polarità della tensione applicata ai motori per cambiare la loro direzione di rotazione. "In pratica dovresti entrare nel polo centrale ed uscire da uno dei due poli laterali per fare marcia avanti e dall'altro polo laterale per fare marcia indietro." Questo implica che il filo proveniente dal pedale del gas entra nel polo centrale, e i fili che vanno ai motori escono dai poli laterali, a seconda della posizione della leva. In aggiunta, la "leva cambio" gestisce anche la selezione della velocità, come spiegato: "1: prima velocità di marcia. seconda velocità di marcia." Questo avviene tramite un secondo interruttore, spesso integrato nella stessa leva, che modifica la configurazione delle batterie (parallelo per 6V, serie per 12V).
Cablaggio Motori
I motori sono collegati all'uscita dell'invertitore di marcia. Se il veicolo ha due motori (uno per ruota posteriore), questi sono generalmente collegati in parallelo tra loro, e poi il blocco motore parallelo è collegato all'invertitore. La potenza e la velocità del veicolo dipendono dalla tensione e dalla corrente fornite ai motori. Se "I motori collegati direttamente ho constatato che funzionano," significa che i motori sono integri e il problema è a monte. La connessione dei motori deve essere robusta e priva di resistenza eccessiva, per evitare perdite di potenza e surriscaldamento.
Cablaggio Resistenza per la Prima Marcia (se presente)
Se il modello include una "resistenza per la prima marcia," questa viene inserita in serie nel circuito dei motori quando la leva del cambio è impostata sulla prima velocità. Questa resistenza limita la corrente e, di conseguenza, la velocità. Quando si passa alla seconda marcia, la resistenza viene bypassata, permettendo ai motori di ricevere la piena tensione e corrente (o la tensione più alta se si passa da 6V a 12V). È un circuito di controllo della velocità aggiuntivo, oltre alla configurazione della batteria.
Cablaggio Accessori (Clacson, Radio, Finta Chiave)
Gli accessori come il "CLACSON," la "RADIO" e la "FINTA CHIAVE-AVVIAMENTO" sono generalmente alimentati tramite derivazioni del circuito principale, spesso attraverso interruttori dedicati. Per la radio, è fondamentale "Togliere la radio dal suo imballo. sportello del vano pile. rispettando la giusta polarità." Un collegamento errato, anche per un accessorio, può causare un cortocircuito o il mancato funzionamento. La "finta chiave-avviamento" può essere semplicemente un interruttore di accensione/spegnimento generale per gli accessori o per l'intero veicolo.
Identificazione Filitura al Vano Batteria Gaucho
Il caso del Gaucho con "4 fili. Giallo/rosso/nero/azzurro" che arrivano al vano batterie è un esempio di come l'originalità del cablaggio possa essere complessa. In un sistema a due batterie da 6V per due velocità (6V/12V), tipicamente avremmo:
- Un filo dal polo positivo della batteria 1 (che funge da punto comune per 6V).
- Un filo dal polo negativo della batteria 2 (che funge da punto comune per il negativo del sistema).
- Un filo che collega il polo negativo della batteria 1 al polo positivo della batteria 2 (per la connessione in serie).
- Un filo che porta il segnale per la connessione in parallelo (6V) o in serie (12V) all'interruttore delle velocità.L'identificazione di questi colori (giallo/rosso/nero/azzurro) richiederà l'uso di un tester e la tracciabilità dei fili per capire la loro destinazione e funzione specifica all'interno dell'impianto. "essendo che le batterie da 6v l'una vanno in serie e quindi collegate tra loro, mi resterebbero da collegare un cavo al positivo di una e l'altro al negativo," questo suggerisce che l'utente ha già in mente il collegamento in serie di base e sta cercando di capire come integrare i cavi rimanenti per ottenere il funzionamento completo, inclusa la doppia velocità.

Assemblaggio e Manutenzione
Una volta risolti i problemi elettrici e ripristinati i collegamenti, l'assemblaggio corretto e una manutenzione regolare sono fondamentali per garantire la longevità e la sicurezza del veicolo elettrico Peg Perego. Il manuale d'uso originale, anche se non sempre disponibile per l'impianto elettrico, fornisce preziose indicazioni per l'assemblaggio meccanico e alcune procedure chiave.
Posizionamento dei Componenti Principali
L'assemblaggio inizia spesso con i componenti strutturali e interni. È importante "Posizionare il sedile" in modo sicuro, e lo stesso vale per il "Roll-Bar," che contribuisce alla sicurezza del bambino. Altri elementi come l'antenna, se presente, andranno posizionati seguendo le indicazioni. L'installazione delle batterie e il collegamento dei fili sono passaggi critici: "Collegare i fili alla pila" è un'operazione che richiede attenzione alla polarità. Per gli accessori come la radio, è necessario "Togliere la radio dal suo imballo" e posizionarla nello "sportello del vano pile, rispettando la giusta polarità" per evitarne il danneggiamento.
Gestione del Vano Motore e Cofano
Il "cofano motore" è una parte importante, sia per l'accesso ai componenti che per l'estetica. È necessario "Aprire il cofano. motore," installare il "finto motore" e poi "Abbassare il finto motore e riavvitarlo." Successivamente, si procede a chiudere "il cofano assicurandolo con i 2 ganci. rimovibili." Questi ganci garantiscono che il cofano rimanga chiuso durante l'uso, proteggendo i componenti interni e mantenendo l'aspetto del veicolo. Le "aperture sul cofano" sono spesso presenti per la ventilazione, essenziale per dissipare il calore prodotto dai motori e dall'elettronica durante il funzionamento.
Funzionalità Aggiuntive e Controlli
I modelli Peg Perego spesso includono funzionalità interattive per aumentare il divertimento. Oltre al clacson e alla radio, può essere presente una "finta chiave-avviamento" che aggiunge realismo al gioco. La radio, ad esempio, può avere un "funzionamento indipendente" e operare su "frequenza FM," con controlli specifici come "manopola 1" e "manopola 2" per volume e sintonizzazione. Anche il "cassone" posteriore, in modelli come il Gaucho, può avere funzioni specifiche: "necessario spostare indietro il cassone. pistone e della batteria poste sotto il veicolo. cassone (vedi figura). plastica. stampate le lettere R e L. scendere il cassone. premere sulle linguette per sbloccarli. degli snodi. foro anteriore del cassone." Questi dettagli meccanici sono parte integrante del veacrete e devono essere assemblati correttamente per garantirne il pieno utilizzo. Il "CLACSON," la "CHIAVE-GIOCO" e la "MANIGLIA" sono altri elementi che contribuiscono all'esperienza di gioco.
Manutenzione e Ricambi
La manutenzione ordinaria include la pulizia del veicolo e il controllo periodico dei collegamenti elettrici per assicurarsi che siano saldi e privi di corrosione. La sostituzione della batteria, come descritto, è un'operazione periodica: "44 • Sostituire la batteria. spina A. situate sotto il finto motore." La carica delle batterie deve seguire le istruzioni: "caricare le batterie per 18 ore. • Non dimenticare le batterie in carica!" I controlli di sicurezza, come la verifica del "TÜV e dall' I.I.S.G." approvati, dovrebbero rassicurare sull'affidabilità del veicolo, ma la cura del proprietario è sempre fondamentale. In caso di necessità, è possibile trovare "sostituzioni e vendita di ricambi originali," il che permette di mantenere il veicolo in condizioni ottimali nel tempo. Per questo, "conoscere il parere dei ns." clienti e avere "un ns." punto di riferimento per l'assistenza è un valore aggiunto. Anche se i veicoli sono robusti, l'uso intensivo o un "Kg. eccessivo o lavoro continuo)" possono attivare i sistemi di protezione, come i disgiuntori termici, che ripristinano il funzionamento dopo un breve periodo di raffreddamento. È cruciale ricollegare "le due spine. spina A." e tutte le connessioni in modo corretto dopo qualsiasi intervento per assicurare un funzionamento sicuro e affidabile.
